2023年生产实习总结与项目介绍
南京高速齿轮制造有限公司
1. 企业相关信息
企业名称:南京高速齿轮制造有限公司
企业简介:公司位于南京江宁科学园,占地700余亩,公司建有32万平方米联合厂房,其中有4万平方米为恒温恒湿防震恒温车间。现有员工3733人,其中工程技术人员873人。公司是国内生产风力发电主传动及偏航变桨传动设备主要厂商,风电主齿轮箱年装机总容量位居全球第一,批量供应 3.6兆瓦及以下的各种类型风机用主传动及偏航变桨传动设备,5兆瓦风力发电传动产品已在研发和试制中,主要客户有GE、Nordex、Repower、Alstom、Suzlon、金风科技、华锐风电、广东明阳、上海电气、国电联合、东方电气等。公司本着“设备来自于世界各地;技术来自于世界各地;管理经验来源于世界各地;市场投向世界各地”的指导思想,先后从美国、德国、日本、意大利、瑞士、奥地利等著名公司引进了一流品牌的各种齿轮加工机床及成套的热处理设备、检测设备、刀具加工设备300多台套,其中德国进口高效数控成型磨齿机90余台,大型奥地利进口多功能炉生产线10条,德国进口高速滚齿机60余台,各类加工中心90余台,同时引进了美国、德国、日本等著名公司的齿轮设计理念和制造技术,引进了日本、德国等公司著名专家参与管理,为公司发展走向世界奠定了坚实的基础。目前公司是美国GE公司“国际采购链”的供应商之一。

启动会照片及全体合影(这里可以多加一些照片):






实习项目及分组(以项目组为单位提供以下信息)
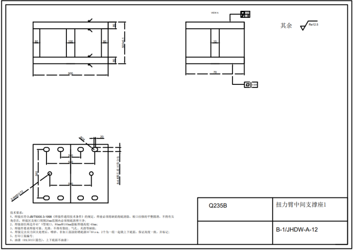
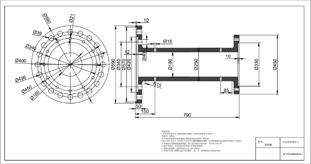
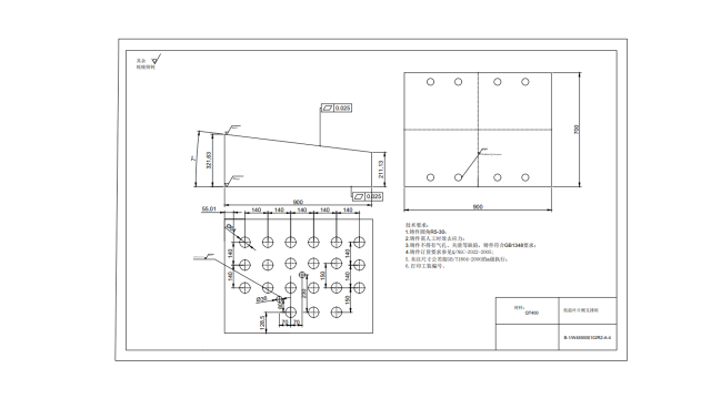
项目一
项目名称:一种试验用工装齿轮箱的设计
项目简介 齿轮设计须满足如下要求:
齿轮箱类型:增速齿轮箱,低速轴输入,高速轴输出
额定输入扭矩:225kN·m极限输入扭矩:380kN·m
额定输入转速:600rpm极限输入转速:720rpm
名义速比:2.1旋转方向:顺时针(面向输入轴)
工作环境:厂房内;工作条件:非连续工作条件,每年2000~3000h
设计寿命:箱体、齿轮件≥10年,轴承≥5年
结构件设计要求:采用铸件或焊接件,轴承座厚度、箱体壁厚等根据机械设计手册推荐值或经验值设计,不做有限元计算
齿轮件设计要求:采用18CrNiMo7-6材料,斜齿圆柱齿轮,齿轮表面渗碳淬火,强度计算依据ISO6336/GB3480,齿面接触疲劳极限σHlim=1500N/mm2,齿根弯曲疲劳极限σFlim=500N/mm2,Ka=1.3,KHβ=1.25,KHα=1.0,Kv=1.05,齿面粗糙度Ra=0.6,齿根粗糙度Rz=20,总重合度εγ>2.0,压力角αn=20°,齿轮精度达到ISO1328标准的5级精度,齿轮疲劳强度安全系数SH≥1.25,SF≥1.56,齿轮静强度安全系数SH0≥1.0,SF0≥1.4。
轴设计要求:采用42CrMo和18CrNiMo7-6材料,强度计算依据DIN743,安全系数满足疲劳强度≥1.75,极限强度≥1.3。
轴承设计要求:选用进口标准轴承,NU轴承承受纯径向力,配对TRB(SRB)轴承承受轴向力+径向力,轴承寿命计算依据ISO281。
润滑设计要求:采用强制润滑,润滑系统不需要设计,但需要考虑轴承、齿轮的润滑方式(强制润滑)及油量需求等,并在箱体上预留出润滑油口。
小组成员:杨晨、陈越湘、朱涵鑫,指导老师:张波

项目成果:小组完成一个一级齿轮增速箱的设计,并对其中的轴、轴承、齿轮进行了校核计算,并初步完成了齿轮增速箱的二维、三维建模。




项目二
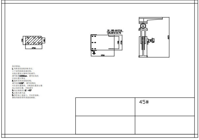
项目名称:齿轮箱空负荷试验方案
项目简介:风电齿轮箱在样机开发时需要完成一系列试验,其中包括空负荷试验,内容主要为油量试验、低温试验、空载试验、液位报警试验、放油试验、电气功能试验等。
针对某机型,设计一套用于空负荷试验的工装方案,工装要综合考虑到齿轮箱在台位上的空间布置,满足试验的倾角要求。其中需要:
设计扭矩仪支架,对温度传感器、压力传感器、电流传感器等进行选型,主要考虑精度、量程、使用温度、采样率、安装尺寸等要满足试验需求;设计工装阀块及转接头,按试验要求安装到齿轮箱指定位置;
管路设计选型包括对流量计进行选型,满足试验流量的要求;并设计工装,将流量计接入润滑系统管路,要求尽量减少管路的延长,减小对流量、压力等数据受影响;还要设计工装阀块,接入润滑系统管路中,用于安装温度、压力等传感器,要求阀块安装位置满足试验大纲要求,减小对管路的变动。
小组成员:王骏逸、田润朗、刘欢,指导老师:童瑞

项目成果:
1、根据设计要求,完成了一套用于空负荷试验的工装方案。






2、根据设计要求,完成了扭矩仪支架、工装阀块及转接头的图纸设计。




3、确定了最低和最高油位情况下,齿轮箱的准确加油量。 最终实验结论:实验过程中检查了齿轮箱的关键接合面,没有发现漏油现象。



项目三
项目名称:基于网络编程技术的质量控制计划
项目简介:
课题背景:智能制造是全球制造业变革的重要方向,给人类经济和社会可持续发展展示了美好前景,“中国制造2025”是我国建设制造强国的重要战略。智能制造包含智能装备、智能工厂以及智能服务,智能工厂中的一个方面就是使研发、生产和供应链这些过程数字化和智能化,从而提高生产和运营效率。
课题目的:改变工业产品从设计到生产整个过程的传统工作方式,例如,任务的接受方式由纸质文档改为数据输入,通过使用扫描仪、近场芯片或传感器等实现数据的快速输入;在任务结果提交时也从图纸、工步卡等文档输出改为数据输出,可通过网络共享从数据库中直接获得物料号、图号、工序号和附图等数据。这些都将使得生产加工过程更加标准化,生产效率极大提高,运营管理更加透明规范。




小组成员:赵宏伟、顾栩泽、周申奥,指导老师:吴峰

项目成果:
设计UI交互界面,主要完成对零件工艺的检验计划表与检验结果维护表、折线图表的设计。
通过VS创建了一个windows窗体应用的项目,向窗体中添加所需的控件,设计检验计划维护、检验结果提交和数据监测这几个窗口交互界面的大致框架,然后为窗体和控件编写相应的函数,实现初步的功能。接下来创建数据库,并在窗体程序中编写程序实现与数据库的关联。最后编写程序完成对数据库中结果的统计处理,并在数据监测窗口中通过chart插件将统计结果显示出来。










项目四
项目名称:齿轮参数表自动生成程序开发
项目简介:
课题背景
齿轮是关键的机械基础零件,在机械传动中应用非常广泛;
齿轮传动具有非常多的优点,但是技术也比较复杂,比如精度、强度;
齿轮的基本参数和精度(以及公差),直接影响齿轮的工作性能,也决定加工方式和成本。
齿轮零件图中,基本参数精度体现在在参数表中,齿轮参数表是齿轮类零件图纸的重要组成部分,齿轮参数是齿轮设计、制造和检验的重要依据。
但是一般CAD绘图软件中没有自带计算和填写齿轮检验参数的功能,很多公司工程师在绘图时,填写齿轮CAD图纸的齿轮参数需占用大量时间,不仅延长了产品开发周期,万一填错还可能带来重大的质量损失。
课题任务
在AutoCAD环境下,进行二次开发编制一个ISO1328(GB10095)齿轮常见公差的参数表标自动生成程序。根据齿数、法向模数、变位系数、中心距、精度等级等基本参数自动计算出检测参数(偏差) GB10095/ISO1328。
最好具备程序界面,如果既能完成公差计算,又能完成齿轮参数表的绘制和公差参数值自动填写更佳。
项目成员:宋怡秀、霍程亮、姚子瑜、魏嘉,指导老师:陈武
项目成果:
用ObjectARX对autoCAD软件进行了二次开发。根据具体输入的数据给出更多需要计算的齿轮参数,并且绘制界面表格进行数据输出,节约手动绘表和计算参数填表的时间。


